为何推出第三方监控保护装置方案? ——国信靖江电厂增设发电机励磁系统技改项目可行性方案浅析
更新时间:2017-12-06
特约撰稿人:江苏国信靖江发电有限公司 陈俊
江苏国信靖江电厂 1 # 、2 # 发电机组额定视在功率 S N =733MVA,所选配励磁系统为励磁厂家组装的瑞士 ABB UN6800 型号静态励磁系统,具体型号为:T6S-O/U251-S6000。即:独立 3 通道控制系统,双自动及手动控制通道,以及独立的后备手动控制通道;整流桥 N-1 冗余原则配置 5 个 UNL13300 型号整流桥;直流侧配置额定电流为 6000A 的磁场断路器及 SiC 非线性灭磁电阻(5MJ)。1 # 机组于 2013 年 12 月份,2 # 机组于 2014 年 1 月份并网投运,系统稳定运行至今。
推出励磁系统技改项目的意义
为完善励磁系统的监测、保护功能,基于对现有励磁系统功能的充分分析的基础上,国信靖江电厂提出技改项目意向,即增设励磁系统第三方监控保护装置,主要实现功能包括以下 4 个方面:PT 断线保护(针对 PT慢熔现象)、机端过电压保护(在负载过电压保护基础上,补充空载过电压保护)、转子低电压闭锁过流保护(针对滑环短路和跨接器误投等直流侧短路故障现象)、发电机主开关位置信号异常告警。
通过前期信息收集、调研,考虑到励磁系统对于发电机组的重要性,国信靖江电厂对第 3 方公司生产的BPE6901 型发电机励磁系统综保装置在 ABB UN6800励磁系统上的现场应用可行性进行深入论证。
主要内容包括:国信靖江电厂技改项目的意义、现阶段初步方案可行性的讨论及技术交流,以及关于ABB UN6800 励磁系统功能完善强化的后续工作开展初步意向。
现有 PT 断线保护存在局限性,有必要进行完善
设备现状:ABB UN6800 系统现有的 PT 断线逻辑是在自动方式下机端电压的百分比和同步电压的百分比进行比较(自并励条件下),如果机端电压标幺值低于同步电压标幺值的 15%,则认为 PT 断线,然后进行切换至备用通道运行,如备用通道再判断 PT断线,则切为手动方式运行。实际运行过程中,若发电机 PT 一次保险慢速熔断,励磁系统检测到的机端电压缓慢跌落,电压跌落值可能小于 15%,在此过程中现有的 PT 断线逻辑并不能判别 PT 失效仍会正常运行,可能造成励磁系统强励。总体而言,现阶段励磁系统的 PT 断线监测功能的判断逻辑及定值设置,使得励磁系统的 PT 断线检测功能的应用有一定的局限性,存在完善的必要性。
初步方案:现阶段有 2 种初步解决方案。
方案一
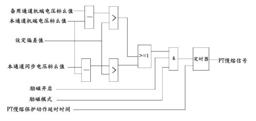
在软件中增加 PT 断线辅助检测模块。在不影响原PT 断线逻辑的前提下加上新的软件模块,帮助检测判断 PT 慢熔。现在 ABB UN6800 所加 PT 慢熔检测逻辑如下图所示:
即在自并励方式起励状态下,若本通道机端电压标幺值比备用通道机端电压标幺值小,且差值大于参数设定的偏差值(默认设置 5%,可更改)或 当本通道机端电压标幺值比本通道同步电压标幺值小,且差值大于参数设定的偏差值(默认设置 5%,可更改),输出 PT
慢熔信号。信号动作类型选择 AUTO FAULT,事件定义为自动方式故障,会导致通道切换或切换至手动方式,本事件动作的延时设置为 2s(可更改)。( 注:此方案已通过内部仿真机测试,但尚无工程项目应用。)
Uset1 为相间电压差定值,定值范围为 0.1~10V,默认值为 1V;Uset2 为相间电压差定值,定值范围为0.1~10V,默认值为 1V;nset 为延时采样点数,范围为0~1200,默认值为 2。满足以上任何一个条件,即判断为 PT 断线,延时 nset 采样点发出报警。对比两个方案,方案二中的 PT 断线检测逻辑可能更为完善,但是从方案实施的角度考虑,励磁厂家人员一般建议使用方案一来进行 PT 慢熔的辅助检测,因为不需要增加其他硬件设备,实施起来比较简单,现场改动工作量较小,费用较少,根据了解,目前国内同类型励磁系统机组中采用方案二的仅有浙江温州电厂。
方案二
增设南瑞、四方等保护厂家的的模块,实现 1 套独立的 PT 断线检测保护装置,用于 PT 断线的辅助检测,其输出信号发送至励磁系统控制器,由励磁系统执行相应的切换逻辑。
BPE6901 型发电机励磁系统综保装置以比较机端两组 PT 的相间电压基波幅值、正序电压是否一致来判断 PT 断线,判断逻辑如下图所示:
Uset1 为相间电压差定值,定值范围为 0.1~10V,默认值为 1V;Uset2 为相间电压差定值,定值范围为0.1~10V,默认值为 1V;nset 为延时采样点数,范围为0~1200,默认值为 2。满足以上任何一个条件,即判断为 PT 断线,延时 nset 采样点发出报警。
对比两个方案,方案二中的 PT 断线检测逻辑可能更为完善,但是从方案实施的角度考虑,励磁厂家人员一般建议使用方案一来进行 PT 慢熔的辅助检测,因为不需要增加其他硬件设备,实施起来比较简单,现场改动工作量较小,费用较少,根据了解,目前国内同类型励磁系统机组中采用方案二的仅有浙江温州电厂。
机端过电压逻辑未区分空载和并网状态
设备现状:ABB UN6000 系统现有的机端过电压保护逻辑分为两部分,一是通过软件内部 V/Hz 限制器进行实现,当发电机转速恒定时频率恒定,V/Hz 限制器所设定值在此时仅针对于机端电压的过压,当机端电压超过 V/Hz 限制器设定值时,限制器启动将机端电压拉回设定值并且闭锁增磁。V/Hz 限制器设定值和延时都可进行更改,一般设为 1.05 倍,0s。二是通过软件内部发电机机端电压过压保护功能,一般设定为 1.3 倍,延时 0.5s 跳闸,此设定值和延时皆可更改。在这两个逻辑中并未区分空载和并网状态。
另外,在提供资料中所提到的空载误强励时灭磁开关和灭磁电阻无法满足灭磁要求的问题,ABB 在每个工程项目中针对灭磁开关和灭磁电阻容量选配时就已经考虑了发生空载误强励的情况。
双方经过讨论认为,BPE6901 型发电机励磁系统综保装置机端过电压保护逻辑有其合理性,但是其过电压保护逻辑判据较为简单,仅参考了机端电压,实际应用中与 ABB UN6000 系统中过电压的保护逻辑差异不大。
转子低电压闭锁过流保护没有考虑滑环短路和跨接器误投等。
设备现状:ABB UN6000 系统现有软件逻辑中并没有独立针对滑环短路和跨接器误投等的保护,直流侧短路仅能通过励磁电流限制器和 3 倍额定励磁电流的瞬时过流跳闸保护来实现。且励磁系统内部对于整流桥内的过流判断逻辑是完善的,但对于励磁直流封闭母线、滑环处等区外的短路故障未进行针对性区分。
另一方面,在实际运行过程中,自并励励磁系统现有的机组发变组保护中励磁变过流保护、差动保护等可实现对励磁系统直流侧短路的部分保护功能。
初步方案:BPE6901 型发电机励磁系统综保装置中转子过流保护经转子低电压闭锁,主要用于反映滑环短路和跨接器误投等情况下的直流侧短路。转子电压由4~20mA 的变送器输入,转子电流可采用 0~20mA 变送器或者分流器输入。转子低电压闭锁过流保护逻辑如下图所示:
与会双方经过讨论认为,BPE6901 型发电机励磁系统综保装置中的转子低电压闭锁过流保护对于励磁系统直流侧短路是一个很好的补充保护逻辑,但是判断逻辑有待完善,存在以下一些疑问:
一是由于短路故障点的不同(如整流桥直流侧 / 励磁直流封闭母线 / 滑环 / 转子匝间等),短路现象不同,因此,上述判断逻辑中的参数 Ir.set 和 Ur.set 定值整定不易,且定值的适应性会受限;
二是对于装置中的部分控制量的采样,如:励磁电压,励磁电流由变送器输入装置,可能存在采样延时,变送器故障或者 AO 端口故障将会导致机组非停。
开关位置异常告警
设 备 现 状:ABB UN6800 系 统 现 有 软 件 逻 辑 中已有发电机主开关位置异常报警,当没有并网信号但是检测到有机端电流存在时,励磁系统会报“21116OnlineStatusFlt”信号。BPE6901 这一功能与现有的软件功能重复。
初步方案:BPE6901 型发电机励磁系统综保装置中当机组未处于并网状态,如果检测到发电机机端电流大于 10% 2 次额定电流,则判为开关位置节点异常,延时 10s 发告警信号。判断机组处于未并网状态的判断逻辑如下图所示:
开关节点位置异常判别逻辑如下图所示:
双方就 ABB UN6800 励磁设备的功能及潜在技术细节进行了充分的交流、讨论。对于所提技改项目的意义及可行性有了更深一步的理解,为后续的具体实施方案的编制及执行打下了良好的基础。
针对 BPE6901 型发电机励磁系统综保装置,进行了初步技术分析及判断,双方一致建议会同生产厂家就其生产的 BPE6901 型发电机励磁系统综保装置进行深入的技术交流,如:装置报警出口、跳闸矩阵、装置的采样与测量等问题做进一步的讨论,来确定方案的可实施性和必要性。
此外,国信靖江电厂提出:希望励磁厂家能积极根据 ABB UN6800 型励磁系统的现场使用情况或电网技术等要求进行励磁系统功能的升级、完善和研发工作,妥善解决运行过程中不断提出的新要求或隐藏的缺陷,进一步加强并完善 ABB UN6800 励磁控制系统的功能。励磁厂家表示根据此次交流国信靖江电厂所提要求,将积极配合、协助电厂做好技术交流及升级工作 , 共同提高 ABB UN6800 励磁系统的安全可靠性,保障机组设备运行安全、稳定并适应电网技术新的需要。
社长兼主编:陈雪芹
电 话:(010)68515135
编辑部
电 话:(010)68054816/68054837/68054838/68054839
运营部
电 话:(010)68052048
学术稿件咨询电话:
电 话:(010)64936065
新闻投稿邮箱:
zgsbgcxw@126.com
技术文章投稿邮箱:
zgsbgc@126.com
开户行
工行北京礼士路支行
户 名
《中国设备工程》杂志社
账 号
0200 0036 0902 2100 604
地 址
北京市西城区三里河一区12号楼4门3层(100045)






